Board selbst layouten
Board selbst layouten
Hallo,
die Stromlaufpläne zu den verschiedenen MS-Board gibt es ja frei im Internet, dennoch lese ich immer wieder von Lizenzproblemen. Wenn ich nur für eigene Zwecke ein Board entwerfe, sollten doch aber keine Probleme auftreten, oder? Ich komme aus dem Bereich der Elektrotechnik, das Layout selbst sollte kein Problem sein. Ich habe eher ein paar Probleme direkt im Bezug auf die MS-Hardware, beispielsweise die verschiedenen Pinbelegungen der MC9S12 Prozessoren untereinander. Die Microsquirt Module ist hierbei anders als das V3.57 Mainboard mit MS2 Daughterboard - ich wollte aber sowieso eher in die Richtung Microsquirt Module layouten, auf meine Bedürfnisse angepasst, heißt konkret:
- nur hochohmige Düsen, also keine Stromüberwachung und -begrenzung
- 4 eigene Düsentreiber für vollsequenzielle Einspritzung
- keine internen Zündtreiber
- kein CAN-Bus
- nur VR-Sensoren (mit MAX9926 im A2-Betrieb)
- direkter Ausgang für MAF oder Barokorrektur auf AD6-1
- PWM für Leerlaufsteller mit integrierter Endstufe
Das Problem sehe ich darin, dass ich nicht drum herum kommen werde, den Code umzuschreiben und hier fängt der Ärger an. Ich hatte im Studium zwar 2 Semester DSP-Programmierung in C, aber nicht wirklich Erfahrungen mit dem Thema. Gibt es fertige Firmwares, die auch frei verfügbar sind, bei denen die Belegung von 4 Injektoren schon implementiert ist? Dann könnte ich das Layout nach der Belegung in der Firmware richten.
Der Stromlaufplan selbst wirft einige Fragen auf. Die Pins PA0, PE1, PT6 und PT7 stehen an Headern zur freien Verfügung bereit, ebenso IACenable, parallele Injektorausgänge und "alt_cam", wobei IACenable ja nur ein Statussignal für einen externen Stepperdriver ist. Laut Prozessordoku bietet keiner der freien Ports eine PWM-Funktion, also kämen diese Ausgänge nicht als Inj3 und Inj4 in Frage. Die UMC1 bietet für 2 extra Injektoren PW2 und PW4 an, welche im Falle des Microsquirt Module schon mit Nockenwelleneingang und Zündausgang belegt sind. Es lassen sich im Tunerstudio ja auch nur "additional drivers", ohne die Möglichkeit, direkt die Prozessorausgänge zu wählen.
Die nächste Frage betrifft das BDM-Programmieren. Ich kenne nur JTAG und SPI, wobei der MC9S12 ja auch SPI unterstützt. Aber wie funktioniert die BDM-Programmierung? Ich werfe ja quasi nur den Bootloader per BDM auf den Prozessor, die Anwenderfirmware mache ich per Tunerstudio mit Bootload-Pin auf Masse (richtig?). Ein BDM-Interface bekommt man als Bausatz bei No Limits Motorsport, aber woher den Bootloader?
Ich freue mich auf konstruktive Anregungen und Diskussionen!
die Stromlaufpläne zu den verschiedenen MS-Board gibt es ja frei im Internet, dennoch lese ich immer wieder von Lizenzproblemen. Wenn ich nur für eigene Zwecke ein Board entwerfe, sollten doch aber keine Probleme auftreten, oder? Ich komme aus dem Bereich der Elektrotechnik, das Layout selbst sollte kein Problem sein. Ich habe eher ein paar Probleme direkt im Bezug auf die MS-Hardware, beispielsweise die verschiedenen Pinbelegungen der MC9S12 Prozessoren untereinander. Die Microsquirt Module ist hierbei anders als das V3.57 Mainboard mit MS2 Daughterboard - ich wollte aber sowieso eher in die Richtung Microsquirt Module layouten, auf meine Bedürfnisse angepasst, heißt konkret:
- nur hochohmige Düsen, also keine Stromüberwachung und -begrenzung
- 4 eigene Düsentreiber für vollsequenzielle Einspritzung
- keine internen Zündtreiber
- kein CAN-Bus
- nur VR-Sensoren (mit MAX9926 im A2-Betrieb)
- direkter Ausgang für MAF oder Barokorrektur auf AD6-1
- PWM für Leerlaufsteller mit integrierter Endstufe
Das Problem sehe ich darin, dass ich nicht drum herum kommen werde, den Code umzuschreiben und hier fängt der Ärger an. Ich hatte im Studium zwar 2 Semester DSP-Programmierung in C, aber nicht wirklich Erfahrungen mit dem Thema. Gibt es fertige Firmwares, die auch frei verfügbar sind, bei denen die Belegung von 4 Injektoren schon implementiert ist? Dann könnte ich das Layout nach der Belegung in der Firmware richten.
Der Stromlaufplan selbst wirft einige Fragen auf. Die Pins PA0, PE1, PT6 und PT7 stehen an Headern zur freien Verfügung bereit, ebenso IACenable, parallele Injektorausgänge und "alt_cam", wobei IACenable ja nur ein Statussignal für einen externen Stepperdriver ist. Laut Prozessordoku bietet keiner der freien Ports eine PWM-Funktion, also kämen diese Ausgänge nicht als Inj3 und Inj4 in Frage. Die UMC1 bietet für 2 extra Injektoren PW2 und PW4 an, welche im Falle des Microsquirt Module schon mit Nockenwelleneingang und Zündausgang belegt sind. Es lassen sich im Tunerstudio ja auch nur "additional drivers", ohne die Möglichkeit, direkt die Prozessorausgänge zu wählen.
Die nächste Frage betrifft das BDM-Programmieren. Ich kenne nur JTAG und SPI, wobei der MC9S12 ja auch SPI unterstützt. Aber wie funktioniert die BDM-Programmierung? Ich werfe ja quasi nur den Bootloader per BDM auf den Prozessor, die Anwenderfirmware mache ich per Tunerstudio mit Bootload-Pin auf Masse (richtig?). Ein BDM-Interface bekommt man als Bausatz bei No Limits Motorsport, aber woher den Bootloader?
Ich freue mich auf konstruktive Anregungen und Diskussionen!
Re: Board selbst layouten
die MS2 kann ohne Firmare Änderungen 4 Zylinder Vollsequentiell Einspritzen und Zünden.
Welche Ausgänge dafür verwendet werden ist je nach Firmware Variante (Megasquirt2, Microsquirt, Microsquirt Module...) unterschiedlich.
Was LIZENZ betrifft: B&G sowie die Firmware entwickler der MS sind der Meinung das die Firmware nur auf original B&G Hardware verwendet werden darf.
Ebenso ist der MS2 Bootloader nicht mehr einfach so im Netz downloadbar, kann man jedoch von jeder MS2 kopieren mit einem BDM (Backround Debug Mode) Interface.
Es gibt mittlerweile x Nachbauten am Markt, der Aufwand den du betreiben musst um die Hardware zu machen steht für reine eigen verwendung eigentlich nicht dafür.
Gruß
Welche Ausgänge dafür verwendet werden ist je nach Firmware Variante (Megasquirt2, Microsquirt, Microsquirt Module...) unterschiedlich.
Was LIZENZ betrifft: B&G sowie die Firmware entwickler der MS sind der Meinung das die Firmware nur auf original B&G Hardware verwendet werden darf.
Ebenso ist der MS2 Bootloader nicht mehr einfach so im Netz downloadbar, kann man jedoch von jeder MS2 kopieren mit einem BDM (Backround Debug Mode) Interface.
Es gibt mittlerweile x Nachbauten am Markt, der Aufwand den du betreiben musst um die Hardware zu machen steht für reine eigen verwendung eigentlich nicht dafür.
Gruß
Wer aufhört besser zu werden hat aufgehört gut zu sein
Alfa 156 GTA
Alfa 75 Race Car MS III
Alfa 164 V6 Turbo
Test MS II
Tunerstudio V3.0.60.61 Registered
MLog View V4.3.30 Registered
MLog View HD V4.3.30 Registered
Alfa 156 GTA
Alfa 75 Race Car MS III
Alfa 164 V6 Turbo
Test MS II
Tunerstudio V3.0.60.61 Registered
MLog View V4.3.30 Registered
MLog View HD V4.3.30 Registered
Re: Board selbst layouten
vielleicht ist dann eher etwas Richtung Speeduino etwas für dich
Re: Board selbst layouten
Hallo,
Das Layout selbst wird nicht allzu umfangreich: ich werde auch auf boardinterne UART-RS232/USB Bridges verzichten und RX/TX per Jumper rausführen, da ich bereits ein relativ universelles UART-USB-Interface für eigene Zwecke gebaut habe, welches ich einfach per Header anschließen würde. Die Microsquirt und das Microsquirt Module sehen das ja ebenfalls so vor, außerdem kann ich vollkommen auf PWM Boost Control (und damit verbundene Endstufe) verzichten. Ich komme bisher ohne große Optimierung des Layouts schon auf nur 100x100mm, da gibt es aber noch Potential.
@Andy - vom Speeduino habe ich schon gehört, das Ganze ist aber halt nicht so ausgereift und bietet auch keine allzu große helfende Community. Was mir auch fehlt - die Möglichkeit, MAF zu verwenden.
Grüße!
da liegt das Problem - wo finde ich die Angabe, welche Hardwarepins die jeweilige Firmware (also in meinem Falle Microsquirt Module) für Inj3 und Inj4 vorsieht? In den Dokus steht nichts diesbezüglich.Alfagta hat geschrieben:Welche Ausgänge dafür verwendet werden ist je nach Firmware Variante (Megasquirt2, Microsquirt, Microsquirt Module...) unterschiedlich.
Das Layout selbst wird nicht allzu umfangreich: ich werde auch auf boardinterne UART-RS232/USB Bridges verzichten und RX/TX per Jumper rausführen, da ich bereits ein relativ universelles UART-USB-Interface für eigene Zwecke gebaut habe, welches ich einfach per Header anschließen würde. Die Microsquirt und das Microsquirt Module sehen das ja ebenfalls so vor, außerdem kann ich vollkommen auf PWM Boost Control (und damit verbundene Endstufe) verzichten. Ich komme bisher ohne große Optimierung des Layouts schon auf nur 100x100mm, da gibt es aber noch Potential.
@Andy - vom Speeduino habe ich schon gehört, das Ganze ist aber halt nicht so ausgereift und bietet auch keine allzu große helfende Community. Was mir auch fehlt - die Möglichkeit, MAF zu verwenden.
Grüße!
Re: Board selbst layouten
Dann musst du mal bei der Doku des Microsquirt Modul gucken da steht alles drinnen.
http://www.microsquirtmodule.com/mod_hardware.htm
http://www.microsquirtmodule.com/mod_hardware.htm
Wer aufhört besser zu werden hat aufgehört gut zu sein
Alfa 156 GTA
Alfa 75 Race Car MS III
Alfa 164 V6 Turbo
Test MS II
Tunerstudio V3.0.60.61 Registered
MLog View V4.3.30 Registered
MLog View HD V4.3.30 Registered
Alfa 156 GTA
Alfa 75 Race Car MS III
Alfa 164 V6 Turbo
Test MS II
Tunerstudio V3.0.60.61 Registered
MLog View V4.3.30 Registered
MLog View HD V4.3.30 Registered
Re: Board selbst layouten
Es tut mir leid, aber in der Microsquirt Doku habe ich nichts diesbezüglich gefunden. Meinst Du Alt_Inj? Das sind doch nur parallele Ausgänge, aber keine eigenen.
Re: Board selbst layouten
Dann lad mal den aktuellen Stand deines Schaltplans als pdf/Bild hoch. Ich schau mir das dann an. Eventuell Gibt ja noch jemand seinen Senf dazu. Schau dich aber trotzdem mal im rusefi bzw. Speeduino Forum rum.
Re: Board selbst layouten
Hallo,
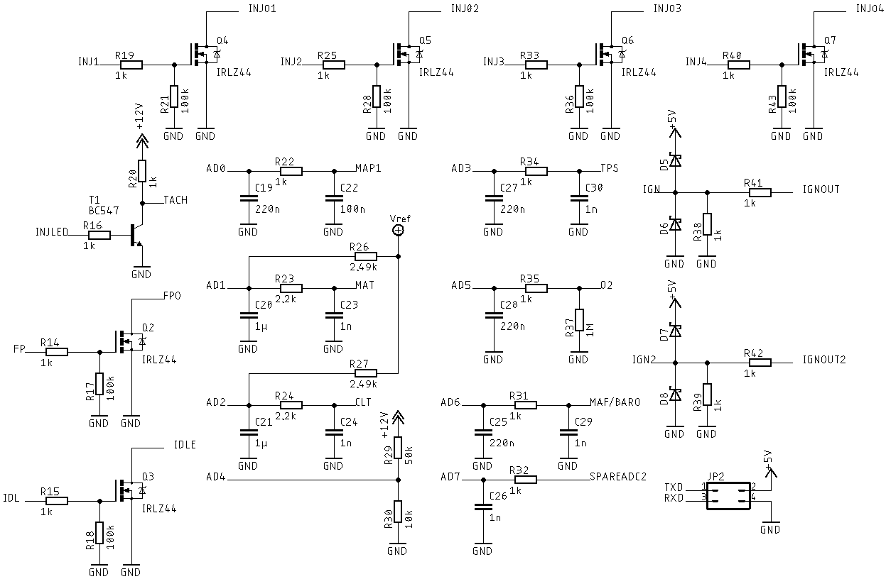
die aktuelle Revision sieht so aus, wie im Anhang.
die aktuelle Revision sieht so aus, wie im Anhang.
- Dateianhänge
-
- Schaltbild_2.png
- (11.55 KiB) Noch nie heruntergeladen
-
- Schaltbild_1.png
- (16.15 KiB) Noch nie heruntergeladen
Re: Board selbst layouten
inj3=pt2; inj4=pt4. ist nicht bös gemeint. aber mit dem schaltplan stand kannst du dir auch eine kdfi/umc kaufen.
Re: Board selbst layouten
Wo werfe ich dann das Nockenwellensignal und IGN2 hin? Im Tunerstudio hab ich bisher keine Möglichkeit gefunden, die Pins für Nockenwelle und Ign2 auszuwählen.
Grüße!
Grüße!
Re: Board selbst layouten
Das hat den Grund das diese fix definiert sind....Loco hat geschrieben:Wo werfe ich dann das Nockenwellensignal und IGN2 hin? Im Tunerstudio hab ich bisher keine Möglichkeit gefunden, die Pins für Nockenwelle und Ign2 auszuwählen.
Grüße!
Wenn wir immer noch bei Microsquirt Modul sind geht NW auf PT2 und IGN2 auf PT4...
Wer aufhört besser zu werden hat aufgehört gut zu sein
Alfa 156 GTA
Alfa 75 Race Car MS III
Alfa 164 V6 Turbo
Test MS II
Tunerstudio V3.0.60.61 Registered
MLog View V4.3.30 Registered
MLog View HD V4.3.30 Registered
Alfa 156 GTA
Alfa 75 Race Car MS III
Alfa 164 V6 Turbo
Test MS II
Tunerstudio V3.0.60.61 Registered
MLog View V4.3.30 Registered
MLog View HD V4.3.30 Registered
Re: Board selbst layouten
Hallo,
damit widersprichst Du ja aber der Aussage von tooly, der meint ja, da gehören Inj3 und Inj4 hin.
damit widersprichst Du ja aber der Aussage von tooly, der meint ja, da gehören Inj3 und Inj4 hin.
Re: Board selbst layouten
Du musst aufpassen ob du jetzt nach Microsquirt oder Normaler MS2 layoutest...
Wer aufhört besser zu werden hat aufgehört gut zu sein
Alfa 156 GTA
Alfa 75 Race Car MS III
Alfa 164 V6 Turbo
Test MS II
Tunerstudio V3.0.60.61 Registered
MLog View V4.3.30 Registered
MLog View HD V4.3.30 Registered
Alfa 156 GTA
Alfa 75 Race Car MS III
Alfa 164 V6 Turbo
Test MS II
Tunerstudio V3.0.60.61 Registered
MLog View V4.3.30 Registered
MLog View HD V4.3.30 Registered
Re: Board selbst layouten
Hallo,
ich weiß - tooly hat mir die Pins für die MS2 genannt.
Im Grunde ist es mir egal, ob ich nun nach MS2 oder Microsquirt Module gehe, bei der MS2 frage ich mich, auf welchen Pin dann Ign2, Nockenwellensignal soll ja an JS10 kommen.
Beim Microsquirt Module frage ich mich, wohin Inj3 und Inj4 kommen.
ich weiß - tooly hat mir die Pins für die MS2 genannt.
Im Grunde ist es mir egal, ob ich nun nach MS2 oder Microsquirt Module gehe, bei der MS2 frage ich mich, auf welchen Pin dann Ign2, Nockenwellensignal soll ja an JS10 kommen.
Beim Microsquirt Module frage ich mich, wohin Inj3 und Inj4 kommen.
Zuletzt geändert von Loco am Mi Jul 24, 2019 3:46 pm, insgesamt 1-mal geändert.
Re: Board selbst layouten
Microsquirt Modul:
NW = PT2
IGN2 = PT4
Megasquirt 2:
INJ3 =PT2
INJ4 = PT4
NW = PT2
IGN2 = PT4
Megasquirt 2:
INJ3 =PT2
INJ4 = PT4
Wer aufhört besser zu werden hat aufgehört gut zu sein
Alfa 156 GTA
Alfa 75 Race Car MS III
Alfa 164 V6 Turbo
Test MS II
Tunerstudio V3.0.60.61 Registered
MLog View V4.3.30 Registered
MLog View HD V4.3.30 Registered
Alfa 156 GTA
Alfa 75 Race Car MS III
Alfa 164 V6 Turbo
Test MS II
Tunerstudio V3.0.60.61 Registered
MLog View V4.3.30 Registered
MLog View HD V4.3.30 Registered